磁力聯軸器廠家
發表時間:2017年06月09日瀏覽量:10787

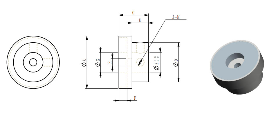
| 型號 | 外徑A | 可選內孔B | 高度C | D | E | F | G | H | M | 傳動扭力N.m | |
| 間隙1mm | 間隙5mm | ||||||||||
| CDS12-B | 12 | 4、5、6 | 16 | 12 | -- | -- | -- | -- | M3 | 0.05 | -- |
| CDS24-B | 24 | 6、8、10 | 18 | 18 | 10 | 5 | 6 | 3.2 | M4 | 0.42 | 0.04 |
| CDS28-B | 28 | 6、8、10 | 18 | 20 | 10 | 5 | 10 | 4.2 | M4 | 0.75 | 0.12 |
| CDS32-B | 32 | 8、10、12 | 18 | 24 | 10 | 5 | 12 | 4.2 | M5 | 1.95 | 0.32 |
| CDS38-B | 38 | 8、10、12、15 | 18 | 28 | 10 | 5 | 15 | 5.2 | M5 | 2.98 | 0.82 |
| CDS43-B | 43 | 12、15、20 | 20 | 30 | 12 | 5 | 15 | 5.2 | M5 | 3.8 | 1.2 |
| CDS50-B | 50 | 12、15、20 | 22 | 34 | 13 | 6 | 20 | 5.5 | M5 | 4.2 | 1.5 |
| CDS63-B | 63 | 15、18、20、25 | 25 | 36 | 15 | 6 | 26 | 5.5 | M5 | 11 | 4.5 |
| CDS68-B | 68 | 15、18、20、25 | 30 | 40 | 18 | 8 | 30 | 6.2 | M5 | 16.2 | 7.8 |
| CDS78-B | 78 | 18、20、25、30 | 32 | 42 | 18 | 10 | 33 | 6.2 | M5 | 18.5 | 10 |
以上標準產品不帶鍵槽,如果加鍵槽型號后面加K。例如CDS32-10K,表示外徑32,內孔10,帶鍵槽。
可以根據客戶的傳動扭矩、空間尺寸、使用溫度等可以進行定做。
磁力聯軸器廠家
北京磁運達廠家專業于磁力傳動產品(磁力輪、磁齒輪、磁力聯軸器)的研發和生產廠家,公司有著先進的生產設備及技術,產品主要出口市場為大陸地區、臺灣及日韓。目前,公司設有蘇州辦事處(蘇州市工業園區唯亭鎮,聯系人-魏經理 電話:177 1515 7172)和 東莞辦事處(東莞高明萬江區,聯系人- 高經理 電話:13021982233)用來服務華東地區和華南地區。
聯系人:張經理
聯系電話:186 0124 2536
地址:北京市林河開發區順仁路54號


